English
Español
Português
русский
Français
日本語
Deutsch
tiếng Việt
Italiano
Nederlands
ภาษาไทย
Polski
한국어
Svenska
magyar
Malay
বাংলা ভাষার
Dansk
Suomi
हिन्दी
Pilipino
Türkçe
Gaeilge
العربية
Indonesia
Norsk
تمل
český
ελληνικά
український
Javanese
فارسی
தமிழ்
తెలుగు
नेपाली
Burmese
български
ລາວ
Latine
Қазақша
Euskal
Azərbaycan
Slovenský jazyk
Македонски
Lietuvos
Eesti Keel
Română
Slovenski
मराठी
Srpski језик
Характеристики на продукта
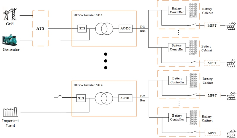
1. Натоварвания, надвишаващи 500 kW, се препоръчва използването на инвертор за съхранение на енергия с голям капацитет от 500 kW, който може да поддържа до четири комплекта паралелни връзки, постигайки обща изходна мощност от 2 MW;
2. Когато работите с множество 500 kW системи паралелно и разпространявате STSacross различни 500 kW инвертори, е изключително важно да се гарантира, че дължината на кабела от точката на свързване на мрежата до точката на свързване на товара е последователна;
3. Хибридният ESS използва DC-свързана фотоволтаична интеграция, постигайки висока ефективност на преобразуване на енергия и оптимизиран за сценарии извън мрежата с капацитет за генериране на PV, надвишаващ търсенето на натоварване; MPPT с класификация за работа на открито
контролерите интегрират функциите на комбинатора и MPPT в един засилен корпус. Пълната система включва опция за дизелов генератор ATS, хибриден инвертор с мощност 300kW, PV MPPT контролер и батерия
система за съхранение на енергия.


Спецификация
| Модели | P500TS-400-A | |
|
DC-Side параметри |
Диапазон на напрежението | 500-950V |
| Максимален ток | 1128А | |
| Номинална изходна мощност | 500kW | |
|
Параметри на AC-Side (свързан към мрежата) |
Максимална изходна мощност | 550kW |
| Номинален изходен ток | 722А | |
| THDi | <3% | |
| Тип решетка | 3W+N+PE | |
| Диапазон на напрежението | 360VAC~440VAC | |
| Честотен диапазон | 45~55Hz/55~65Hz | |
| Фактор на мощността | -1~1 | |
| Номинална изходна мощност | 500kW | |
|
Параметри на AC страна (Извън мрежата) |
Номинално изходно напрежение | 400V |
| Номинална изходна честота | 50/60Hz | |
| THDu | <1%Линеен товар,<5%Нелинеен товар | |
| Капацитет на претоварване | 110% 10 минути | |
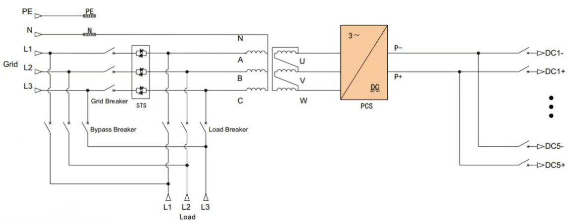
| Превключвател за байпас за поддръжка | 1250А | |
|
Off-Grid превключвател и конфигурация на превключвателя |
DC превключвател | 1250А |
| Превключвател на товара | 1250А | |
| Превключвател на мрежата | 1250А | |
| STS единица | 1155A/800kW | |
| Време за превключване | <20ms | |
|
Системни параметри |
Пикова ефективност | 97,5% |
| Работна температура | -30 ~ 55 ℃ (намаление над 40 ℃) | |
| Относителна влажност | 0 до 95% относителна влажност, без кондензация | |
| Размери (L*D*H) | 1600×1050×2050 мм | |
| Тегло | 2700кг | |
| IPgrade | IP21 IP21 (Пълна машина) | |
| Шум | <70dB | |
| Екран на дисплея | LCD | |
| BMS комуникация | МОЖЕ | |
| EMS комуникация | TCP/IP | |