Средна хибридна система

Средна хибридна система

Система за съхранение на енергия в мрежата и извън мрежата интегрира фотоволтаично (PV) генериране на енергия, съхранение на енергия и интелигентно управление. Може да работи както в мрежов, така и в самостоятелен режим, осигурявайки непрекъснато и стабилно захранване.

Изпратете запитване

Описание на продукта


Характеристика

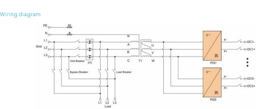
Системата използва модулни инверторни модули в паралелна конфигурация, където

DC входът на всеки инверторен модул съответства на специален шкаф за батерии,

позволяващ управление на клъстер за елиминиране на циркулиращите токове между тях

струни за батерии.

AC/DC захранващите модули поддържат гъвкаво внедряване както в количество, така и в

номинална мощност, с максимален капацитет от 60kW модули в паралел от 5 блока

конфигурация.

AC изходът от захранващите модули се доставя чрез трансформатор

изолиран изходен етап, захранващ товара със силно съпротивление

токов шок.

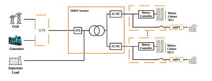
Хибридният ESS използва DC-свързана фотоволтаична интеграция, постигайки висока

ефективност на преобразуване на енергия и оптимизиран за сценарии извън мрежата с PV

генериращ капацитет над търсенето на натоварване; MPPT контролери с рейтинг за работа на открито

интегрирайте функционалностите на комбинатор и MPPT в един заздравен корпус.

Пълната система включва опция за дизелов генератор ATS, 300kW хибрид

инвертор, PV MPPT контролер и система за съхранение на енергия от батерии.



Характеристика

Системата използва модулни инверторни модули в паралелна конфигурация, където

DC входът на всеки инверторен модул съответства на специален шкаф за батерии,

позволяващ управление на клъстер за елиминиране на циркулиращите токове между тях

струни за батерии.

AC/DC захранващите модули поддържат гъвкаво внедряване както в количество, така и в

номинална мощност, с максимален капацитет от 60kW модули в паралел от 5 блока

конфигурация.

AC изходът от захранващите модули се доставя чрез трансформатор

изолиран изходен етап, захранващ товара със силно съпротивление

токов шок.

Хибридният ESS използва DC-свързана фотоволтаична интеграция, постигайки висока

ефективност на преобразуване на енергия и оптимизиран за сценарии извън мрежата с PV

генериращ капацитет над търсенето на натоварване; MPPT контролери с рейтинг за работа на открито

интегрирайте функционалностите на комбинатор и MPPT в един заздравен корпус.

Пълната система включва опция за дизелов генератор ATS, 300kW хибрид

инвертор, PV MPPT контролер и система за съхранение на енергия от батерии.









Спецификации

Модели P200TS-400-A P250TS-400-A P300TS-400-A

DC-Side параметри
Диапазон на напрежението 650-950Vdc
Входен превключвател за всеки модул 250А
Брой DC канали 3 начина 4 начин 5 начин

Параметри на AC-Side
(свързан към мрежата)
Номинална изходна мощност 200kW 250kW 300kW
Максимална изходна мощност 220kW 275kW 330kW
Номинален изходен ток 289А 361А 433А
THDi <3%
Тип решетка 3W+N+PE
Диапазон на напрежението 360Vac~440Vac
Честотен диапазон 45~55Hz/55~65Hz
Фактор на мощността -1~1

Островен
Параметри от AC-страна
Номинална изходна мощност 200kW 250kW                    300kW
Номинално изходно напрежение 400Vac
Номинална изходна честота 50/60Hz
THDu <1% линеен, <5% нелинеен<1% линеен, <5% нелинеен
Капацитет на претоварване 110% претоварване за 10 минути110% за 10 минути

Grid-Islanding
Трансферна и комутационна апаратура
Превключвател за байпас за поддръжка 400А 630А
Мрежови превключватели 630А 800А
Превключватели на товара 400А 630А
STS единица 577A/400kW 722A/500kW
Време за превключване <20ms

Системни параметри
Пикова ефективност 97,5%
Работна температура -30 ~ 55 ℃ -30 ~ 55 ℃ (намаление над 40 ℃)
Относителна влажност 0~95%RH, 0~95%RH, без кондензация
Размери (L*D*H) 1300×1050×2050 мм
Тегло 1400 кг 1700кг             1800 кг
IPgrade IP21 IP21 (Пълен комплект)
Шум <70dB
Екран на дисплея LCD сензорен екран
BMS комуникация МОЖЕ
EMS комуникация TCP/IP


Горещи маркери: Средна хибридна система
Изпратете запитване
Моля, не се колебайте да изпратите вашето запитване във формата по-долу. Ще ви отговорим до 24 часа.
X
Ние използваме бисквитки, за да ви предложим по-добро сърфиране, да анализираме трафика на сайта и да персонализираме съдържанието. Използвайки този сайт, вие се съгласявате с използването на бисквитки от наша страна. Политика за поверителност